Основные данные
     Автомобиль ЗАЗ-965
     Автомобиль ЗАЗ-965А
     Основные размеры ЗАЗ-965
     Кузов автомобиля
     Силовые элементы каркаса кузова
     Автомобиль ЗАЗ-965 в сечении
     Размещение элементов автомобиля
     Общая компоновка кузова
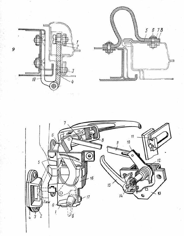
     Крепление молдингов на ЗАЗ-965А


  
Механизмы и узлы
     Компоновка узлов автомобиля
     Силовой агрегат, 30 л/с
     Передняя подвеска
     Задняя подвеска
     Элементы задней подвески
     Задняя ступица
     Полусь
     Переднее крыло
     Место под передним багажником
     Механизм закрывания переднего багажника
     Сечение по бензобаку
     Приспособление для омывания ветрового стека
     Переднее поворотное стекло
     Подемный механизм окна
     Дверные ручки и элементы дверей
     Дверные петли и механизм замка дверей
     Элементы управления в салоне
     Педаль сцепления и тормоза
     Педаль тормоза и тормозной цилиндр
     Ручной тормоз
     Элементы управления коробкой передач
     Капот автомобиля
     Механизм закрывания капота
     Печка отопления


  
Електрооборудование
     Конструкция фары
     Регулировка фар
     Подфарники
     Фонарь освещения заднего номерного знака
     Задние фонари
     Електросхема с генератором постоянного тока
     Електросхема с генератором переменного тока
     Електрооборудование моторного отсека


Hosted by uCoz